
(户内)

(户外)
SVG工作原理
SVG是新一代动态无功补偿领域最新技术应用的代表,它的基本原理是利用可关断大功率电力电子器件(如IGBT)组成自换相桥式电路,经过电抗器并联在电网上,适当地调节桥式电路交流侧输出电压的幅值和相位,或者直接控制其交流侧电流,就可以使该电路吸收或者发出满足要求的无功电流,实现动态无功补偿的目的。SVG并联在电网中,一方面有效的解决了谐波干扰投切并联电容器装置的问题,另一方面,可根据用户实际要求抑制或治理谐波,改善电能质量。
SVG的主要功能
(1)维持受电端电压,加强系统电压稳定性;
(2)补偿系统无功功率,提高功率因数,降低线损,节能降耗;
(3)抑制电网谐波;
(4)抑制电压波动和闪变;
(5)抑制三相不平衡。
SVG的应用场合
SVG广泛应用于石油化工、冶金、电力、煤炭、电气化铁路、风电厂以及其他具有或者靠近冲击性负荷和大容量电动机的工业领域,可以在节能降耗、提高电网安全性和稳定性、提高电网功率因数、改善电能质量等方面,发挥重要作用。
SVG是基于电压源型逆变器的补偿装置实现了无功补偿方式质的飞跃。它不再采用大容量的电容、电感器件,而是通过电力电子器件的高频开关实现无功能量的变换。从技术上讲,SVG较传统的无功补偿装置有如下优势:
◆ 响应速度更快
SVG调节速度快,响应时间小于10ms,可在极短的时间之内完成从额定容性无功功率到额定感性无功功率的相互转换,这种无可比拟的响应速度完全可以胜任对冲击性负荷的补偿。
◆ 电压闪变抑制能力更强
SVC对电压闪变的抑制最大可达2:1,SVG对电压闪变的抑制可以达到5:1,甚至更高。SVC受到响应速度的限制,其抑制电压闪变的能力不会随补偿容量的增加而增加。而SVG由于响应速度极快,增大装置容量可以继续提高抑制电压闪变的能力。
◆ 运行范围更宽
SVG能够在额定感性到额定容性的范围内工作,所以比SVC的运行范围宽很多。更重要的是,在系统电压变低时,SVG还能够输出与额定工况相近的无功电流。
◆ 补偿功能多样化
本公司SVG不仅具有快速补偿系统无功功率的目的,还能够根据用户实际需要,对负荷谐波电流等电能质量问题进行综合补偿。
◆ 谐波含量低
本公司SVG采用了载波移相PWM技术和功率单元级联多电平技术,自身产生的谐波含量极低。
◆ 占地面积小
由于无需高压大容量的电容器和电抗器做储能元件,SVG的占地面积通常只有相同容量SVC的50%。
装置构成:
◆ 适用范围
◆适用于低压系统(380V~1140V)的动态无功补偿。
◆无功功率波动较大、谐波不严重的场合,宜采用SVG型补偿装置与并联电容补偿混合应用的方案。
◆无功功率变化较大且谐波严重的系统宜采用纯SVG型补偿装置。
◆无功功率变化较小,但谐波严重的系统,宜采用纯SVG装置,或者采用AP F装置治理谐波,以并联电容器组补偿功率因数。
◆ 选型建议
以最大感性补偿容量分别为100Kvar和200Kvar为例,在实际应用中如何将并联电容补偿与有源动态补偿装置综合应用。
采用±50Kvar的IGBT逆变器与50Kvar的电容器并联接人系统,动态无功从0至感性100Kvar连续可调:即无功补偿容量为感性100Kva r,其中100%为动态补偿容量。
用±30Kvar的lGBT逆变器与70Kva r的电容器并联接入系统,动态无功从感性40Kvar至感性100Kvar连续可调:即无功补偿容量为感性100Kvar,其中60%为动态补偿容量。
采用±50Kvar的lGBT逆变器与150Kvar的电容器并联接人系统,动态无功从感性100Kvar至感性200Kvar连续可调:即无功补偿容量为感性200Kva r,其中50%为动态补偿容量。
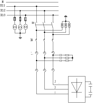
SVG一次系统图
|
规格及技术参数 |
|
本表技术参数适合的产品型号有:SDSVG-100/0.4、SDSVG-200/0.4、SDSVG-300/0.4、SDSVG-400/0.4、SDSVG-500/0.4、SDSVG-750/0.4、SDSVG-1000/0.4、SDSVG-100/0.6、SDSVG-200/0.6、SDSVG-300/0.6、SDSVG-400/0.6、SDSVG-500/0.6、SDSVG-750/0.6、SDSVG-1000/0.6 |
|
型号 |
SDSVG-100/0.4 |
SDSVG-200/0.4 |
SDSVG-300/0.4 |
SDSVG-400/0.4 |
SDSVG-500/0.4 |
SDSVG-1000/0.4 |
|
SDSVG-100/0.6 |
SDSVG-200/0.6 |
SDSVG-300/0.6 |
SDSVG-400/0.6 |
SDSVG-500/0.6 |
SDSVG-1000/0.6 |
|
单机补偿电流 |
100A |
200A |
300A |
400A |
500A |
1000A |
|
交流输入 |
额定电压 |
400×(1±15%)V/600×(1±20%)V |
600×(1±20%)V |
|
额定频率 |
50×(1±2%)Hz |
|
接线方式 |
三相三线 |
|
技术指标 |
谐波补偿次数 |
5次 |
|
谐波补偿 |
额定容量内≥90%(负载畸变率≥20%) |
|
功率因数 |
在容量范围内达到设定要求 |
|
补偿方式 |
以无功补偿为主,谐波补偿功能可选 |
|
补偿无功(全响应) |
5ms(10%~90%) |
|
全补偿(全响应) |
10ms(10%~90%) |
|
过载保护 |
自动限制到额定电流输出 |
|
有功损耗 |
<2%额定功率模块 |
|
噪声 |
<65dB(A) |
|
环境条件 |
工作温度 |
-10℃~45℃ |
|
储藏温度 |
-20℃~65℃ |
|
相对温度 |
<90%(在25℃时) |
|
工作模式 |
自动或手动 |
|
通讯接口 |
远程RS485/RS232/以太网通讯功能可选; 上位机通讯软件可选 |
|
操作显示 |
LCD监控面板;运行参数设置;触摸按键操作;多参数显示 |
|
显示精度 |
电流±5%FS |
|
扩展能力 |
同型号直接并机,数量可达10台 |
|
保护 |
电网过欠压、电网错缺相、装置过流、装置过流、直流母线过欠压、过载自动限流保护 |
|
单机尺寸 Wmm×Dmm×Hmm |
800×800×2200 |
1200×1000×2200 |
|
防护等级 |
IP20(更高防护等级可定制) |
|
|